Mobile Burger Icon
Logo
DE
DE
World Map

Wählen Sie Sprache und Land

Berater finden
Logo
Versand
Wir übernehmen die Kosten für den Versand ab einer Bestellung von 150€ im Webshop.
Online-Bestellvorgang
Ebenso bieten wir Ihnen einen einfachen und schnellen Online-Bestellvorgang an.
Schnelle Lieferung
Die Lieferung erfolgt schnellst möglich, direkt zu Ihrer gewünschten Lieferadresse.
Maßgeschneiderte Angebote
Sie können Angebote nun ganz einfach Online anfordern.

Vertriebs- & Ansprechpartner

Finden Sie Ihren Vertriebspartner vor Ort und Ihren Ansprechpartner bei FIPA. 

Hier finden Sie unsere DACH-Vertriebsübersicht.

Menu
    Product Image
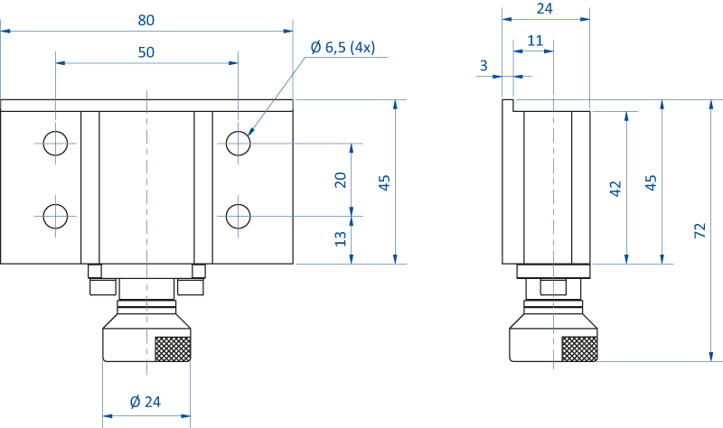
    • Manuelle Verbindung zwischen Roboter und Greifer
    • Minimale Stillstandzeiten durch schnellen Greiferwechsel
    • Greiferseite ist im Lieferumfang nicht enthalten
    • kompatibel zu Systemen von Star Automation
    Product Dimensional Drawing Image
    Hier finden Sie alle verfügbaren Dokumente, wie z.B Datenblätter, Zertifikate, uvm.
    DateiDateigrößeAktionen
    datasheet-bds-fipa-gr05-121-schnellwechselsysteme.pdf1.21 MB Download
    Schnellwechsler-Übersicht_de.pdf1.23 MB Download